執行元件 — MGP系列新薄型帶導桿氣缸
訂貨型號

感應開關的選擇
| 型式\內徑 | 12 | 16 | 20 | 25 | 32 | 40 | 50 | 63 | 80 | 100 |
| 感應開關 | D-Z73 | |||||||||
技術參數
| 缸徑(mm) | 12 | 16 | 20 | 25 | 32 | 40 | 50 | 63 | 80 | 100 | |
| 使用流體 | 空氣(經40um過濾的潔凈空氣) | ||||||||||
| 動作方式 | 雙作用 | ||||||||||
| 最高使用壓力 | 1.0Mpa | ||||||||||
| 最低使用壓力 | 0.12Mpa | 0.1 Mpa | |||||||||
| 環境和流體溫度 | -5~60℃(未凍結) | ||||||||||
| 活塞速度 | 50-1000mm/s | ||||||||||
| 緩沖 | 兩端橡膠緩沖 | ||||||||||
| 行程長度公差(mm) | 0+1.5 | ||||||||||
| 給油 | 不需要 | ||||||||||
| 軸承 | 滑動軸承/球軸承 | ||||||||||
| 活塞桿不回轉精度球軸承 | 滑動軸承 | ±0.08° | ±0.07° | ±0.06° | ±0.05° | ±0.05° | |||||
| 球軸承 | ±0.10° | ±0.09° | ±0.08° | ±0.06° | ±0.06° | ||||||
| 接管口徑 | M5×0.8 | 1/8 | 1/4 | 3/8 | |||||||
| 本體制質 | 鋁合金 | ||||||||||
氣缸行程
| 內徑(mm) | 標準行程(mm) |
| 12 | 1020 30 40 50 100 |
| 16 | 1020 30 40 50 100 125 150 175 200 |
| 20 | 20 30 40 50 75 125 150 175 200 250 300 |
| 25 | 20 30 40 50 75 125 150 175 200 250 300 |
| 32 | 25 50 75 100 125 150 175 200 250 300 |
| 40 | 25 50 75 100 125 150 175 200 250 300 |
| 50 | 25 50 75 100 125 150 175 200 250 300 |
| 63 | 25 50 75 100 125 150 175 200 250 300 |
| 80 | 25 50 75 100 125 150 175 200 250 300 350 400 |
| 100 | 25 50 75 100 125 150 175 200 250 300 350 400 |


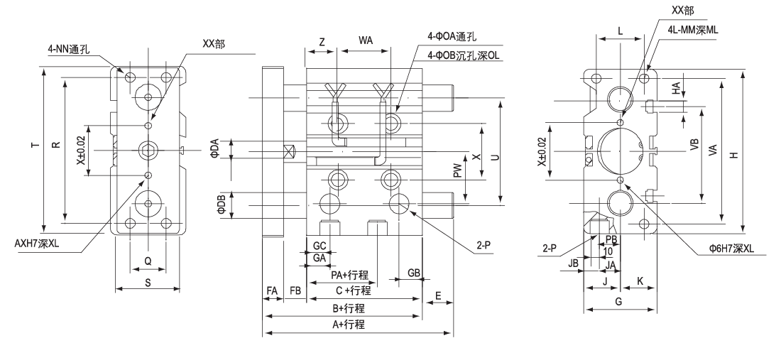
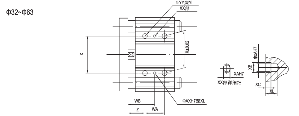
MGPM, MGPL共同尺寸
| 內徑(mm) | 行程(mm) | B | C | DA | FA | FB | G | GA | GB | H | HA | J | K | L | MM | ML | NM | OA | OB | OL | P | PA | PB | PW |
| 12 | 10,20,30,40,50,75,100,125, | 42 | 29 | 6 | 8 | 5 | 26 | 11 | 7.5 | 58 | M4 | 13 | 13 | 18 | M4×0.7 | 10 | M4×0.7 | 4.3 | 8 | 4.5 | M5×0.8 | 13 | 8 | 18 |
| 16 | 150,175,200,250 | 46 | 33 | 8 | 8 | 5 | 30 | 11 | 8 | 65 | M4 | 15 | 15 | 22 | M5×0.8 | 12 | M5×0.8 | 4.3 | 8 | 4.5 | M5×0.8 | 15 | 10 | 19 |
| 20 | 20,30,40,50,75,100,125,150, | 53 | 37 | 10 | 10 | 6 | 36 | 10.5 | 8.5 | 83 | M5 | 18 | 18 | 24 | M5×0.8 | 13 | M5×0.8 | 5.6 | 9.5 | 5.5 | 1/8 | 12.5 | 10.5 | 25 |
| 25 | 175,200,250,300,350,000 | 53.5 | 37.5 | 12 | 10 | 6 | 42 | 11.5 | 9 | 93 | M5 | 21 | 21 | 30 | M6×1.0 | 15 | M6×1.0 | 5.6 | 9.5 | 5.5 | 1/8 | 12.5 | 13.5 | 28.5 |
| 內徑(mm) | R | S | T | U | VA | VB | WA | WB | X | XA | XB | XC | XL | YY | YL | Z | ||||||||
| 30st or less | 30st~ 100st | 100st~200st | 200st~300st | over 300st | 30st or less | 30st~100st | 100st~ 200st | 200st~ 300st | over 300st | |||||||||||||||
| 12 | 48 | 22 | 56 | 41 | 50 | 37 | 20 | 40 | 110 | 200 | - | 15 | 25 | 60 | 105 | - | 23 | 3 | 3.5 | 3 | 6 | M5x0.8 | 10 | 5 |
| 16 | 54 | 25 | 62 | 46 | 56 | 38 | 24 | 44 | 110 | 200 | - | 17 | 27 | 60 | 105 | - | 27 | 3 | 3.5 | 3 | 6 | M5x0.8 | 10 | 5 |
| 20 | 70 | 30 | 81 | 54 | 72 | 44 | 24 | 44 | 120 | 200 | 300 | 29 | 39 | 77 | 117 | 167 | 28 | 3 | 3.5 | 3 | 6 | M6x1.0 | 12 | 17 |
| 25 | 78 | 38 | 91 | 64 | 82 | 55 | 24 | 44 | 120 | 200 | 300 | 29 | 39 | 77 | 117 | 167 | 34 | 4 | 4.5 | 3 | 6 | M6x1.0 | 12 | 17 |
MGPM(滑動軸承)A,DB,E
| 內徑(mm) | A | DB | E | ||||
| 50st or less | 50st~ 100st | over 100st | 50st or less | 50st~ 100st | over 100st | ||
| 12 | 42 | 60.5 | 60.5 | 8 | 0 | 18.5 | 43 |
| 16 | 46 | 64.5 | 64.5 | 10 | 0 | 18.5 | 49 |
MGPL(球軸承)A,DB,E
| 內徑(mm) | A | DB | E | ||||
| 50st or less | 50st~ 100st | over 100st | 50st or less | 50st~ 100st | over 100st | ||
| 12 | 43 | 55 | 85 | 6 | 1 | 13 | 43 |
| 16 | 49 | 65 | 95 | 8 | 3 | 19 | 49 |
MGPM(滑動軸承)A,DB,E
| 內徑(mm) | A | DB | E | ||||
| 50st or less | 50st~ 100st | over 100st | 50st or less | 50st~ 100st | over 100st | ||
| 12 | 53 | 84.5 | 122 | 12 | 0 | 31.5 | 69 |
| 16 | 53.5 | 85 | 122 | 16 | 0 | 31.5 | 68.5 |
MGPL(球軸承)A,DB,E
| 內徑(mm) | A | DB | E | ||||||
| 30st or less | 30st~ 1OOst | 100st~ 200st | over 200st | 30st or less | 30st~ 100st | 100st~ 200st | over 200st | ||
| 12 | 63 | 80 | 104 | 122 | 10 | 10 | 27 | 51 | 69 |
| 16 | 69.5 | 85.5 | 104.5 | 122 | 13 | 10 | 32 | 51 | 68.5 |


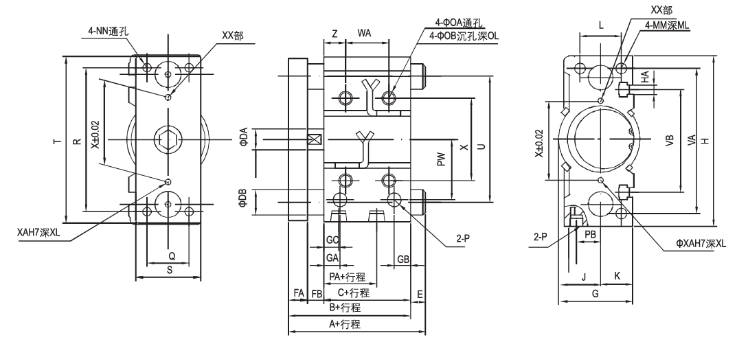
MGPM, MGPL共同尺寸
| 內徑(mm) | 行程(mm) | B | C | DA | FA | FB | G | GA | GB | H | HA | J | K | L | MM | ML | NM | OA | OB | OL | P | PA | PB | PW | Q |
| 32 | 10,20,30,40,50,75,100,125, | 59.5 | 37.5 | 16 | 12 | 10 | 48 | 12.5 | 9 | 112 | M6 | 24 | 24 | 34 | M8×1.25 | 20 | M8×1.25 | 6.6 | 11 | 7.5 | 1/8 | 7 | 15 | 34 | 30 |
| 40 | 150,175,200,250 | 66 | 44 | 16 | 12 | 10 | 54 | 14 | 10 | 120 | M6 | 27 | 27 | 40 | M8×1.25 | 20 | M8×1.25 | 6.6 | 11 | 7.5 | 1/8 | 13 | 18 | 38 | 30 |
| 50 | 20,30,40,50,75,100,125,150, | 72 | 44 | 20 | 16 | 12 | 64 | 14 | 11 | 148 | M8 | 32 | 32 | 46 | M10×1.5 | 22 | M10×1.5 | 8.6 | 14 | 9 | 1/4 | 9 | 21.5 | 47 | 40 |
| 63 | 175,200,250,300,350,000 | 77 | 49 | 20 | 16 | 12 | 78 | 16.5 | 13.5 | 162 | M10 | 39 | 39 | 58 | M10×1.5 | 22 | M10×1.5 | 8.6 | 14 | 9 | 1/4 | 14 | 28 | 55 | 50 |
| 內徑(mm) | R | S | T | U | VA | VB | WA | WB | X | XA | XB | XC | XL | YY | YL | Z | ||||||||
| 30st or less | 30st~ 100st | 100st~ 200st | 200st~ 300st | over 300st | 30st or less | 30st~ 100st | 100st~ 200st | 200st~ 300st | over 300st | |||||||||||||||
| 32 | 96 | 44 | 110 | 78 | 98 | 63 | 24 | 48 | 124 | 200 | 300 | 33 | 45 | 83 | 121 | 171 | 42 | 4 | 4.5 | 3 | 6 | M8×1.25 | 16 | 21 |
| 40 | 104 | 44 | 118 | 86 | 106 | 72 | 24 | 48 | 124 | 200 | 300 | 34 | 46 | 84 | 122 | 172 | 50 | 4 | 4.5 | 3 | 6 | M8×1.25 | 16 | 22 |
| 50 | 130 | 60 | 146 | 110 | 130 | 92 | 24 | 48 | 124 | 200 | 300 | 36 | 48 | 86 | 124 | 174 | 66 | 5 | 6 | 4 | 8 | M10×1.5 | 20 | 24 |
| 63 | 130 | 70 | 158 | 124 | 142 | 110 | 28 | 52 | 128 | 200 | 300 | 38 | 50 | 88 | 124 | 174 | 80 | 5 | 6 | 4 | 8 | M10×1.5 | 20 | 24 |
MGPM(滑動軸承)A,DB,E
| 內徑(mm) | A | DB | E | ||||
| 50st or less | 50st~ 100st | over 100st | 50st or less | 50st~ 100st | over 100st | ||
| 32 | 97 | 102 | 140 | 20 | 37.5 | 42.5 | 80.5 |
| 40 | 97 | 102 | 140 | 20 | 31 | 36 | 71 |
| 60 | 106.5 | 118 | 161 | 25 | 34.5 | 46 | 89 |
| 63 | 106.5 | 118 | 161 | 25 | 29.5 | 41 | 84 |
MGPL(球軸承)A,DB,E
| 內徑(mm) | A | DB | E | ||||||
| 50st or less | 50st~ 100st | 100st~ 200st | over 200st | 50st or less | 50st~ 100st | 100st~ 200st | over 200st | ||
| 32 | 81 | 98 | 118 | 140 | 16 | 21.5 | 38.5 | 58.5 | 50.8 |
| 40 | 81 | 98 | 118 | 140 | 16 | 15 | 27 | 52 | 74 |
| 50 | 93 | 114 | 134 | 61 | 20 | 21 | 42 | 52 | 89 |
| 63 | 93 | 114 | 134 | 61 | 20 | 16 | 76 | 57 | 84 |